ผลิตภัณฑ์ทั้งหมด
-
เกจวัดความดันแตกต่าง
-
เกจวัดแรงดันดิจิตอล
-
เกจวัดแรงดันสแตนเลส
-
เครื่องส่งสัญญาณความดันแม่นยำ
-
คอนโทรลเลอร์ลอจิกที่ตั้งโปรแกรมได้
-
สวิตช์ระดับลอย
-
ตัวกำหนดตำแหน่งวาล์วนิวเมติก
-
เซ็นเซอร์ส่งสัญญาณอุณหภูมิ
-
Hart Field Communicator
-
โซลินอยด์วาล์ว
-
วาล์วควบคุม
-
เครื่องวัดอัตราการไหลความแม่นยำสูง
-
ปั๊มน้ำใต้น้ำ
-
ท่อร่วมส่งแรงดัน
-
เครื่องวัดระดับอัลตราโซนิก
-
เครื่องวัดกระแสไฟแรงดันไฟ
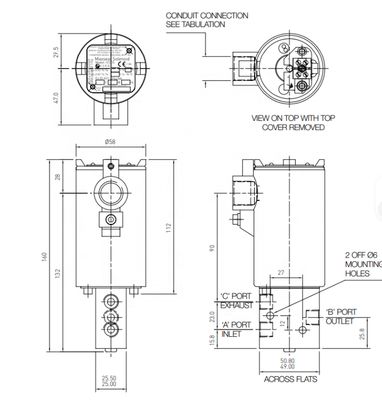
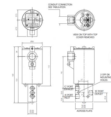
ขายด่วน NORGREN Y013AA1H1BS072 NPT แวลล์สต๊อกในคลังในราคาถูก
รายละเอียดสินค้า
| Warrany | 1 ปี | น้ำหนักขั้นต้นเดียว | 5.000 กก |
|---|---|---|---|
| แรงกดดันในการดำเนินงาน | 0 ... 174 ปอนด์ต่อตารางนิ้ว | วัสดุ | สแตนเลส |
| เน้น | NORGREN Y013AA1H1BS072 วาล์ว NPT,วาล์วควบคุม NPT,NORGREN วาล์วควบคุมที่มีการรับประกัน |
||
รายละเอียดสินค้า
คุณสมบัติหลัก
การบรรจุและการจัดส่ง
แนะนำผลิตภัณฑ์


